服务热线:
15062959999
网站首页
关于我们
产品中心
新闻动态
环境展示
联系我们
人才招聘
当前位置:
主页
>
产品中心
>
柱塞泵
脚踏阀
手柄
油源阀
推土阀
多路阀
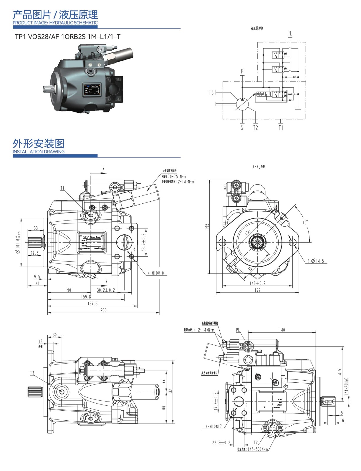
柱塞泵
柱塞泵TP1VO28
电话:18936662183,15062959999
邮箱:63234931@qq.com
地址:连云港市连云开发区板桥工业园云港路7号宝联科技产业园
关注微信